Get a quote

No:1 Trusted Builder Property Site.| 100% Quality for sure

3Bhk Builder Floor Aaprtments for Sale in KK Nagar

10th sector, 65th street ₹2.13C
₹2.03C

3BHK

1400 Sqft | Flats
Possession Date : Mar 2026
Approved Banks : SBI,HDFC,ICICI,LIC
Under Construction|Spacious Flat with Good Ventilation in very prime location of city
Plenty of Reason To Choose our Project

*Prime Location 

* Common Lighting around the building

*Premium Quality for Construction

*15+Amenities 

*Easy proximity to schools

Briefs

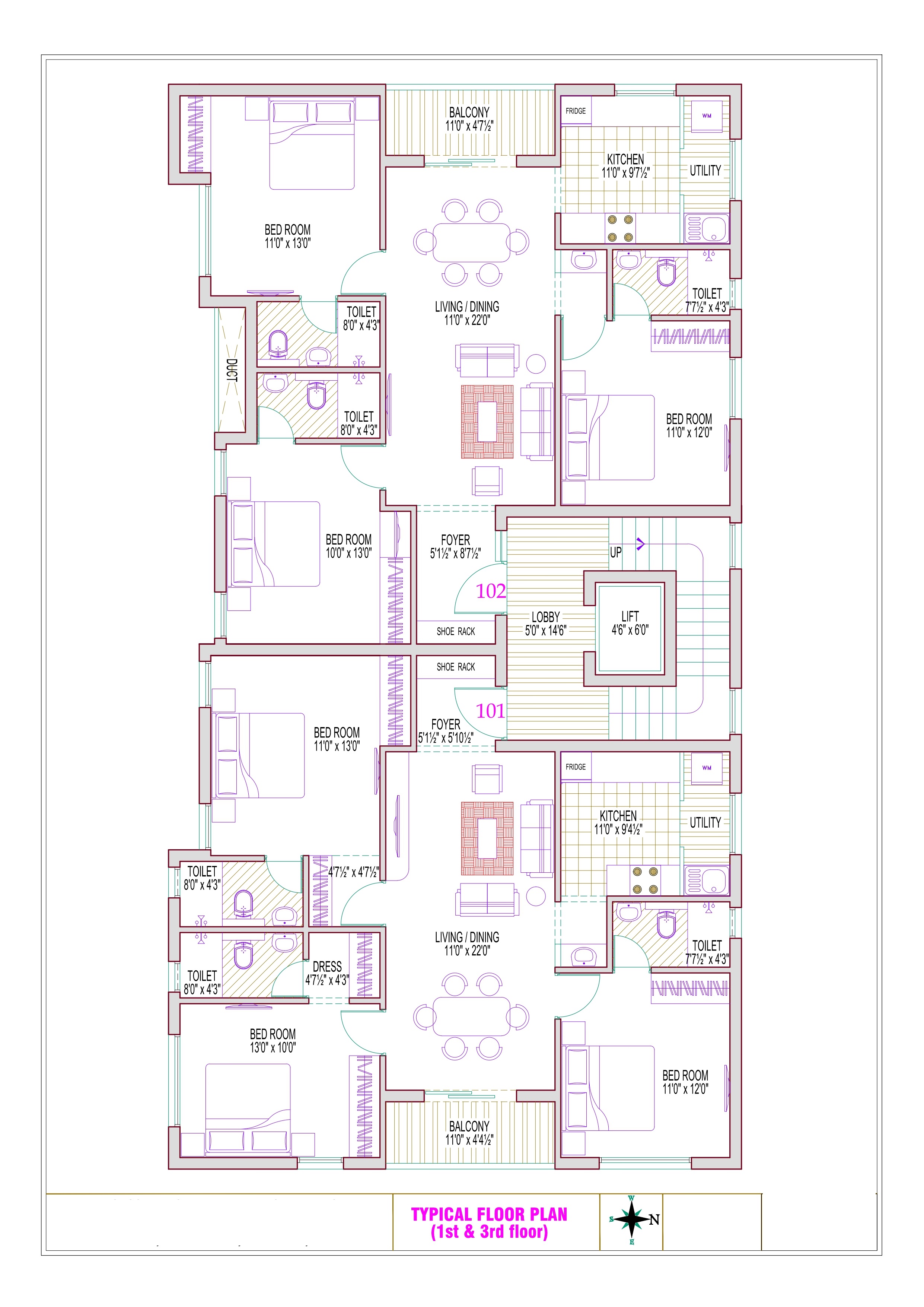
In, KK Nagar Chennai, we have  3Bhk Builder Floor Aaprtment Sale in KK Nagar. Its our Premium Apartment with Live homes. For your reference, we provided various floor plans here. This is integrated with the available  3BHK layouts from us. The size is between 1400 square feet. Currently, the project is in the Under construction state. The area might be more convenient for KK Nagar. The Live Homes project includes unique amenities like a lift, CCTV, Covered parking,Power backup, Well-made structure, and we're here to offer you first-rate support. Thanks

Highlights

Project Type
Flats
Basic Price
₹2.03C
Per SQFT Rate
₹14,500
Unit SQFT Size
1400 Sqft
No. of Bedroom
3 BHK
Facing
North
No. of Balconies
2
No. of Units
1
Total no of floors
3
Furnishing Status
Unfurnished
Bath Count
3
Property Type Property Size Property Price
3BHK 1400 Sqft 2.03 Cr

Note: Note: Other cost : GST5% | CCP | Property assessment & Other Tax | REGISTRATION Extra....!

Project plans

Live Photos

Amenities

Car Parking

Car Parking

CCTV

CCTV

Lift

Lift

Power back up

Power back up

Rain water harvesting

Rain water harvesting

Cloth Hanger in Terrace

Cloth Hanger in Terrace

Letter box

Letter box

Grill Gate

Grill Gate

Specifications

  • Metro Water Available
  • Bore Depth
  • Tata Steel
  • Electricity Board 3Phase
  • Location nearby

  • Near Alagappar Chettinadu Hotel
  • Thai Sathya Matric school Just 400 Mtr
  • Near CM Hospital
  • Near West Depot
  • Enquire Now

    Blog

    Image 1
    Image 2
    Image 3
    Image 4
    Description of the image

    Download Livehomes App
    and Notification for New Properties

    Play Store Logo iOS App Store Logo

    To Make Your Builder Floor Apartment, flats, Villa, Search convenient and attractive  

    Real Time Experience | Budget friendly Search | Notification as on Date

    Frequently asked questions

    Yes, we offer property management services for landlords who require assistance with managing their rental properties. Our services include finding tenants, collecting rent, handling maintenance issues, and ensuring compliance with legal requirements.

    Construction is the process of building, assembling, or erecting structures, infrastructure, or facilities.

    Look for designers with experience in projects similar to yours, check their portfolio, and ensure they understand your vision and budget.

    Trends vary, but some popular ones include sustainable design, biophilic design (connecting with nature), and minimalist aesthetics.

    The borrower receives a lump sum of money from the lender, which is then repaid over time with interest, typically through monthly payments.

    About Us | Properties | Home Loan | Join Venture | Contact us